In this study, we examined the consequences of Fas deficiency on hematopoiesis in C57BL/6-lpr/lpr mice. We found a striking extramedullary increase in hematopoietic progenitor cells, comprising erythroid and nonerythroid lineages alike. These modifications preceded the lymphadenopathy, because early progenitors (colony-forming units-spleen [CFU-S] day 8) were already augmented in day-18 fetal livers of the lpr phenotype. Three weeks after birth, CFU-S increased in peripheral blood and spleen and colony-forming cells (CFU-C) began to accumulate 1 to 3 weeks later. Extramedullary myelopoiesis augmented progressively in Fas-deficient mice, reaching a maximum within 6 months. By then, mature and immature myeloid cells had infiltrated the spleen, the liver, and the peritoneal cavity. Similar changes occurred in C57BL/6-gld/gld mice, indicating that they resulted from Fas/FasL interactions. Medullary hematopoiesis was not significantly modified in adult mice of either strain. Yet, the incidence of CFU-S decreased after Fas cross-linking on normal bone marrow cells in the presence of interferon γ, consistent with a regulatory function of Fas/FasL interactions in early progenitor cell development. These data provide evidence that Fas deficiency can affect hematopoiesis both during adult and fetal life and that these modifications occur independently from other pathologies associated with the lpr phenotype.
MICE HOMOZYGOUS for the lpr gene develop an age-dependent lupus-like autoimmune disease and a severe lymphadenopathy characterized by the progressive accumulation of TCRα/β+B220+CD4−CD8−double-negative (DN) T cells.1 They also suffer from anomalies of the B-cell compartment, concerning both early and late differentiation stages.2-4
It has been demonstrated that the lpr gene codes for a mutant Fas/CD95/Apo-1, resulting from a retrotransposon insertion that leads to abnormal transcription and greatly reduced expression of the Fas receptor.5,6 A second murine autoimmune disease, calledgld, has been shown to be complementary to lpr, because it is caused by a point mutation of the Fas ligand (FasL), rendering the protein nonfunctional.7 8 Once Fas/FasL interactions had been identified as one of the mechanisms by which cytotoxic T lymphocytes kill infected target cells and delete activated T lymphocytes, these 2 murine mutations have been extremely useful in exploring the Fas pathway of cell death.
Fas/CD95/Apo-1 is a transmembrane protein expressed by a variety of tissues and several mature hematopoietic lineages, such as T cells,9 B cells, monocytes, and granulocytes.10-12 Its regulatory functions during the immune response have been documented by a number of investigators who emphasized the importance of the activation state for the susceptibility of Fas+ cells to apoptosis.9,13 14
The present study was based on the assumption that Fas/FasL interactions might also exert some control on hematopoietic progenitor cell development. There is indeed increasing evidence in support of the notion that normal hematopoietic growth involves not only cell division and differentiation, but also programmed cell death or apoptosis.15 It has been reported that the in vitro deprivation of growth factors such as erythropoietin (Epo) or interleukin-3 (IL-3) causes apoptosis of bone marrow cells and of growth factor-dependent cell lines.16-19 In addition, there is some recent evidence for functional Fas expression on primitive hematopoietic progenitors freshly isolated from human fetal liver20 and on human CD34+ progenitors after exposure to interferon γ (IFNγ) and/or tumor necrosis factor α (TNFα).21 According to a recent report, Fas is also displayed on murine hematopoietic progenitor cells after cytomegalovirus (CMV) infection.22
We have recently shown that IL-3–induced histamine and cytokine production by myeloid precursors from murine spleen is greatly decreased after Fas cross-linking in the presence of IFNγ.23 These data prompted us to evaluate the consequences of nonfunctional Fas/FasL interactions on other hematopoietic progenitor populations in Fas-deficient lpr and FasL-deficient gld mice with a C57BL/6 genetic background.
We analyzed hematopoietic changes in fetal liver, bone marrow, and peripheral tissues in relation to age and progression of lymphadenopathy. Furthermore, we addressed the question whether Fas/FasL interactions were directly involved in the regulation of hematopoietic progenitor frequencies by investigating the effect of in vitro Fas cross-linking on these cells.
MATERIALS AND METHODS
Animals.
Specific pathogen-free, male or female C57BL/6-+/+, C57BL/6-lpr/lpr, and C57BL/6-gld/gld mice were purchased from the Jackson Laboratories (Bar Harbor, ME) and bred at the CSEAL (Orléans, France). Implantation of C57BL/6-lpr/lpr stage 2-cell embryos into hyper-ovulated C57BL/6-+/+ females was also performed at the CSEAL. For the generation of F2 embryos F1 (C57BL/6-+/+ × C57BL/6-lpr/lpr) mice were bred and intercrossed in our own animal facility. The genotype of fetal tissues from F2 embryos was determined as previously described.24
Cytokines and antibodies.
Murine recombinant (mr) IFNγ (specific activity, 5 × 106 U/mg; as measured by an antiviral assay using L-929 cells infected with EMC virus) was purchased from R&D Systems (Abingdon, UK). The following antibodies were used: hamster antimouse CD95(Fas, Apo-1) monoclonal antibody (MoAb; clone Jo2; unlabeled or phycoerythrin [PE]-conjugated), control hamster IgG, CD117(c-kit) (2B8), CD34 (RAM34), and anti-IgM (R6-60.2) MoAbs (all from Pharmingen, San Diego, CA); TCRα/β (H57-597), Ly-6G(Gr-1) (RB6-8C5), CD11b (M1/70), CD45R(B220) (RA3-6B2), CD4 (H129.19), CD8 (53-6.7), CD19 (1D3), TER-119, and Sca-1 MoAbs were purified from hybridoma supernatants, biotinylated, or conjugated with fluorescein isothiocyanate (FITC) in our own laboratory.
Cell preparations.
Bone marrow cells were removed from femurs and tibias by flushing with ice-cold Hanks’ balanced salt solution (HBSS; GIBCO, Grand Island, NY). Axillary and mesenteric lymph node cell suspensions were prepared by disrupting the organs in a Potter-Elvehjem homogenizer. Spleen cells were suspended in HBSS by gently teasing with forceps. Peritoneal cells were recovered after repeated lavage of the peritoneal cavity with HBSS. The liver was pressed on a 200-gauge stainless steel mesh and suspended in HBSS. Hepatic mononuclear cells were prepared as previously described.25 After washing, the cells were resuspended in 30% to 35% Percoll solution containing 100 U/mL heparin and centrifuged at 2,000 rpm for 15 minutes at room temperature. The pellet was resuspended in red blood cell (RBC) lysis solution and then washed twice with minimum essential medium (MEM), supplemented with 1% sodium pyruvate 100×, 1% L-glutamine, 100 IU/mL penicillin, and 100 μg/mL streptomycin culture (GIBCO) referred to as culture medium. Peripheral blood cells obtained from cardiac puncture were used after RBC lysis. Fetal livers were removed at day 18 of gestation and cells were suspended in culture medium by gently teasing with forceps.
In vitro colony-forming assay.
Total colony-forming units-cells (CFU-C) were quantified in Complete Methylcellulose Medium with Recombinant Cytokines and Erythropoietin (MethoCult M3434; StemCell Technologies Inc, Vancouver, British Columbia, Canada) or in MethoCult M3230 supplemented routinely with optimal concentrations of murine recombinant IL-3 (1 ng/mL), stem cell factor (SCF; 100 ng/mL), IL-6 (100 U/mL), and Epo (2 U/mL). In some experiments, these growth factors were serially diluted to compare the sensitivity of normal and Fas-deficient spleen cell progenitors. To evaluate the effect of DN T cells on colony formation, 106lymph node cells from C57BL/6-lpr/lpr mice suffering from severe lymphadenopathy (∼50% DN lymphocytes) were cocultured with 2 × 105 normal spleen cells in the methylcellulose assay. Furthermore, 107 lymph node cells/mL from Fas-deficient mice were incubated for 24 hours in culture medium supplemented with 10% fetal calf serum (FCS). Supernatants were then collected and assayed at a 5-fold dilution with or without the standard combination of growth factors for their effect on colony formation from control spleen cells. Sera from control and Fas-deficient C57BL/6 mice were tested for their colony-stimulating activity at a 10-fold final dilution.
Total and sorted cell populations were plated in a final volume of 1 mL at concentrations ranging from 5 to 500 × 103 cells per culture dish (FALCON 1008). Colonies were scored on day 7 to 8. They were analyzed in some experiments for the presence of erythroid cells.
Colony-forming units-spleen (CFU-S) assay.
The spleen colony assay of Till and McCulloch26 was used to determine the number of CFU-S in total peripheral blood, spleen, and bone marrow cell suspensions. In brief, syngeneic C57BL/6 hosts were exposed to a lethal dose (9.5 Gy, 0.87 Gy/min) of whole body irradiation from a 137Cs source. Amounts of 1 to 5 × 104 bone marrow cells, 1 to 5 × 105splenocytes, and 0.1 to 1 × 106 peripheral blood cells in 200 μL of MEM were then injected per mouse via the retro-orbital sinus. At least 5 mice were used in each experimental group. After 8 or 12 days, recipient spleens were excised and surface colonies were counted after fixation in Bouin’s solution. No endogenous colonies were detected in these conditions.
Flow cytometry analysis and cell sorting.
Cell suspensions were incubated on ice in the presence of rat antimouse CD16/CD32 MoAb (1μg/106 cells; Pharmingen) to block Fc receptor functions before specific staining. Subsequently, cells were washed, pelleted, and labeled with the appropriate antibodies, using 3-color immunofluorescence. Biotinylated antibodies were revealed with Streptavin-TRI-COLOR (Caltag, Tebu, Le Perray-en-Yvelines, France). Cells were analyzed in a FACScan cytofluorometer (Becton Dickinson, Mountain View, CA), using the LYSYS II software. RBCs and debris were excluded on the basis of forward and side scatter parameters, and dead cells were gated out by propidium iodide staining. At least 15,000 cells were acquired within the live gate. Lin− cells designate a progenitor-enriched population expressing neither myeloid nor lymphoid lineage markers (negative for CD11b, Gr-1, CD45R, TER 119, CD4, CD8, and TCRα/β).
Before fluorescence sorting, spleen cell suspensions from C57BL/6 and C57BL/6-lpr/lpr mice were partially depleted for B and T lymphocytes using FITC-conjugated anti-CD4, anti-CD8, and anti-CD45R(B220) MoAbs. After 30 minutes of staining on ice, splenocytes were washed twice and incubated for a further 30 minutes with sheep antirat IgG-coated magnetic beads (Dynabeads M-450; Dynal A.S., Oslo, Norway) according to the manufacturer’s instructions. Labeled cells were then withdrawn against the inner wall of the test tube using a strong magnet, and unbound cells were collected. This prepurified population was resuspended in culture medium supplemented with 2% FCS and TCRα/β− IgM−cells were sorted on a FACS Vantage cell sorter (Becton Dickinson) at a flow rate of 5,000 cells per second.
Fas cross-linking.
Bone marrow and spleen cell suspensions were adjusted to a final concentration of 2.5 × 106 and 10 × 106 nucleated cells per milliliter, respectively, in culture medium with 10% horse serum (GIBCO). They were plated into Falcon 3047 multiwell plates (2 mL/well) and incubated for 24 hours in the presence of control hamster IgG (5 μg/mL), IFNγ (100 U/mL), anti-CD95(Fas) MoAb (5 μg/mL), or IFNγ + anti-CD95(Fas) MoAb in a humidified atmosphere of 95% air and 5% CO2. Cells were then recovered and assayed for clonogenic progenitors.
Histomorphological examination.
Spleen and bone marrow cell suspensions were cytocentrifuged on glass slides and imprints were made from liver slices. All preparations were stained with May-Grünwald-Giemsa.
Statistical analyses.
The standard Student’s t-test was used to establish statistical significance.
RESULTS
Hematopoietic changes in spleen and bone marrow from Fas-deficient C57BL/6-lpr/lpr mice.
We set out to evaluate total colony-forming cells (CFU-C) in spleen and bone marrow cell suspensions from 6-month-old Fas-deficient mice. As shown in Table 1, total CFU-C per spleen were more than 30-fold increased at this age. The number of cells per spleen attained 384.4 ± 75.8 × 106 versus 109.4 ± 3.8 × 106 in control mice with the same genetic background (means ± SEM from 3 separate experiments). In contrast, the bone marrow of Fas-deficient mice was affected neither in terms of progenitor frequencies nor of cellularity (cells per femur + tibia: 39.4 ± 7.8 × 106 in lpr v 40.4 ± 3.8 × 106 in normal mice; means ± SEM from 3 experiments). The gld mutation caused a similar increase in spleen progenitor cells, indicating that both Fas and FasL are involved in this effect (Table 1).
Increased Numbers of Colony-Forming Cells in Spleens From Fas- or FasL-Deficient Mice
| . | CFU-C (×100) Per Tissue . | ||||
|---|---|---|---|---|---|
| C57BL/6-lpr/lpr . | . | C57BL/6 . | . | C57BL/6-gld/gld . | |
| Spleen | 1,235.2 ± 189.6 | P < .001 | 35.3 ± 6.9 | P < .001 | 1,103.6 ± 156.1 |
| Bone marrow (femur + tibia) | 662.1 ± 109.3 | NS | 626.1 ± 53.5 | NS | 648.5 ± 81.0 |
| . | CFU-C (×100) Per Tissue . | ||||
|---|---|---|---|---|---|
| C57BL/6-lpr/lpr . | . | C57BL/6 . | . | C57BL/6-gld/gld . | |
| Spleen | 1,235.2 ± 189.6 | P < .001 | 35.3 ± 6.9 | P < .001 | 1,103.6 ± 156.1 |
| Bone marrow (femur + tibia) | 662.1 ± 109.3 | NS | 626.1 ± 53.5 | NS | 648.5 ± 81.0 |
Total CFU-C were quantified in spleen and bone marrow from 6-month-old mice using MethoCult M3434 medium. Colonies were scored on day 7 to 8. Data are means ± SEM from 3 individual 6-month-oldlpr, gld, and C57BL/6 mice.
Abbreviation: NS, not significant.
Knowing that DN T cells accumulate in spleens from adult C57BL/6-lpr/lpr mice, we verified whether this population could eventually enhance colony formation by providing additional hematopoietic growth factors. To this end, we performed the clonogenic assay with or without lymph node cells of the lpr phenotype (106/mL) composed of approximately 50% DN T lymphocytes. We found no significant difference between the 2 conditions (Table 2). Also, 5-fold diluted supernatant from these cells (107/mL), removed after 24 hours of incubation, did not support colony growth or change the number of CFU-C obtained in response to the currently used growth factors. Conversely, depletion of the DN T-cell compartment resulted in a similar enrichment of CFU-C, whether it was performed on C57BL/6 or C57BL/6-lpr/lpr spleens (Table 2).
Effect of DN T Cells on Colony Formation
| Treatment . | CFU-C/106 Spleen Cells . | |
|---|---|---|
| C57BL/6 . | C57BL/6-lpr/lpr . | |
| Standard assay | 35.3 ± 8.4 | 358.5 ± 91.3 |
| +lpr/lpr LN cells | 33.2 ± 5.9 | — |
| +lpr/lpr LN supernatant | 31.9 ± 3.3 | — |
| T- and B-cell depletion | 685.3 ± 85.1 | 7,939.5 ± 256.4 |
| Treatment . | CFU-C/106 Spleen Cells . | |
|---|---|---|
| C57BL/6 . | C57BL/6-lpr/lpr . | |
| Standard assay | 35.3 ± 8.4 | 358.5 ± 91.3 |
| +lpr/lpr LN cells | 33.2 ± 5.9 | — |
| +lpr/lpr LN supernatant | 31.9 ± 3.3 | — |
| T- and B-cell depletion | 685.3 ± 85.1 | 7,939.5 ± 256.4 |
Colony-forming cells were assayed in MethoCult M3230 medium supplemented with the standard growth factor cocktail in the presence or absence of 106 lymph node cells from C57BL/6-lpr/lpr mice (50% DN T cells) or their 5-fold diluted supernatant. After magnetic depletion of B220+CD4+CD8+ cells, TCRα/β−IgM− splenocytes were electronically sorted as described in Materials and Methods. Data are means ± SEM from triplicate dishes. The experiment was performed with 3-month-old mice.
Abbreviation: LN, lymph node.
In the same line of evidence, we could rule out a higher sensitivity to growth factors as an explanation for enhanced colony formation, because splenocytes from lpr and control mice displayed a similar dose-response curve to serial dilutions of the growth factor cocktail (data not shown). Furthermore, we detected no colony stimulating activity in sera of Fas-deficient mice as compared with controls (data not shown).
Once we had established that the number of clonogenic progenitors was increased in the spleen of Fas-deficient mice rather than their cloning efficiency, we examined whether a particular subset of CFU-C was affected in preference to another. Table 3shows that this is not the case, because erythroid and nonerythroid colonies were similarly enhanced, suggesting the expansion of common precursor cell.
Evaluation of Erythroid and Nonerythroid Progenitors in Spleens From Normal and Fas-Deficient C57BL/6-lpr/lpr Mice
| . | CFU-GM . | CFU-Mix Per Spleen (×100) . | BFU-E . |
|---|---|---|---|
| C57BL/6-lpr/lpr | 1,017.1 ± 325.0 | 109.3 ± 54.1 | 108.6 ± 38.9 |
| P < .001 | |||
| C57BL/6 | 29.6 ± 5.9 | 2.8 ± 1.9 | 3.0 ± 1.5 |
| . | CFU-GM . | CFU-Mix Per Spleen (×100) . | BFU-E . |
|---|---|---|---|
| C57BL/6-lpr/lpr | 1,017.1 ± 325.0 | 109.3 ± 54.1 | 108.6 ± 38.9 |
| P < .001 | |||
| C57BL/6 | 29.6 ± 5.9 | 2.8 ± 1.9 | 3.0 ± 1.5 |
Total CFU-C were quantified in spleens from 6-month-old mice using MethoCult M3434 medium. Colonies were scored on day 7 to 8 and analyzed for the presence of erythroid cells. Data represent means ± SEM from 3 separate experiments.
We tested this assumption by measuring the number of both CFU-C and CFU-S (day 8) in spleens from Fas-deficient and control mice at different ages. It is clear from Fig 1 that CFU-S were markedly increased in spleens of the lpr phenotype. This modification appeared at the age of 3 to 4 weeks, before the augmentation of CFU-C that was not significant at that time point. It is noteworthy that, in spleens from 3-week-old C57BL/6-lpr/lprmice, the percentage of DN T lymphocytes was not yet enhanced versus control cells (1.6% ± 0.4% v 2.3% ± 0.1%; means ± SEM from 3 separate analyses). The size of the colonies generated in irradiated recipients was similar, whether donor cells were from mutated or wild-type mice.
Age-dependent changes in the number of CFU-S and CFU-C in spleens from C57BL/6-lpr/lpr mice (▨), as compared with C57BL/6 controls (▧). Data are means ± SEM established from 3 individuals of the same age. CFU-S and CFU-C were determined as described in Materials and Methods.
Age-dependent changes in the number of CFU-S and CFU-C in spleens from C57BL/6-lpr/lpr mice (▨), as compared with C57BL/6 controls (▧). Data are means ± SEM established from 3 individuals of the same age. CFU-S and CFU-C were determined as described in Materials and Methods.
Extramedullary increase of myeloid cells in C57BL/6-lpr/lprmice.
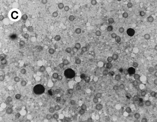
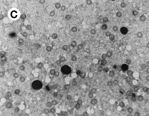
The early increase in spleen progenitor cells was followed by a striking extramedullary expansion of myeloid cells, as shown in Fig 2. The cytospin preparations of spleen cell suspensions (Fig 2A and B) and liver imprints (Fig 2C and D) demonstrate the marked myeloid infiltration in these organs at the age of 6 months. Hematopoietic foci comprise several differentiation stages, from precursor cells to mature monocytes and segmented granulocytes. The myeloproliferative rather than lymphoproliferative aspect of this pathology is further emphasized by differential spleen cell counts represented in Table 4.
Histomorphological changes in spleen and liver from 6-month-old Fas-deficient mice. Cytospin preparations and liver imprints were stained with May-Grünwald-Giemsa. (A) Normal splenocytes; (B) splenocytes from Fas-deficient mice; (C) normal liver imprints; (D) liver imprints from Fas-deficient mice. Original magnification × 300.
Histomorphological changes in spleen and liver from 6-month-old Fas-deficient mice. Cytospin preparations and liver imprints were stained with May-Grünwald-Giemsa. (A) Normal splenocytes; (B) splenocytes from Fas-deficient mice; (C) normal liver imprints; (D) liver imprints from Fas-deficient mice. Original magnification × 300.
Differential Cell Counts in C57BL/6-lpr/lprSpleens Relative to Age-Matched Controls
| . | Lymphocytes (%) . | Monocytes (%) . | Granulocytes Bands/Segmented (%) . | Erythroblasts (%) . | Immature Myeloid (%) . |
|---|---|---|---|---|---|
| C57BL/6-lpr/lpr | 43.1 ± 1.1 | 6.5 ± 0.8 | 30.4 ± 2.7 | 20.7 ± 3.9 | 6.5 ± 1.6 |
| (137.9) | (20.8) | (97.3) | (66.2) | (20.8) | |
| P < .001 | |||||
| C57BL/6 | 82.3 ± 3.7 | 3.3 ± 0.4 | 3.6 ± 0.4 | 9.3 ± 2.8 | 1.1 ± 0.3 |
| (90.5) | (3.6) | (4.0) | (10.2) | (1.2) |
| . | Lymphocytes (%) . | Monocytes (%) . | Granulocytes Bands/Segmented (%) . | Erythroblasts (%) . | Immature Myeloid (%) . |
|---|---|---|---|---|---|
| C57BL/6-lpr/lpr | 43.1 ± 1.1 | 6.5 ± 0.8 | 30.4 ± 2.7 | 20.7 ± 3.9 | 6.5 ± 1.6 |
| (137.9) | (20.8) | (97.3) | (66.2) | (20.8) | |
| P < .001 | |||||
| C57BL/6 | 82.3 ± 3.7 | 3.3 ± 0.4 | 3.6 ± 0.4 | 9.3 ± 2.8 | 1.1 ± 0.3 |
| (90.5) | (3.6) | (4.0) | (10.2) | (1.2) |
Spleen cell suspensions from 6-month-old C57BL/6-lpr/lprmice and age-matched controls were cytocentrifuged and stained in May-Grünwald-Giemsa. Differential counts were performed on at least 200 cells per slide. Data are means ± SEM from 4 different mice per group. Average cell numbers per spleen (×106) are indicated in parentheses.
These morphological data were validated by the phenotypic analysis of C57BL/6-lpr/lpr splenocytes (Fig3). In comparison with age-matched controls, we observed a clear-cut expansion of granulocytes and monocytes, as assessed by the expression of Gr-1 and CD11b. Erythroid cells, recognized by the TER-119 MoAb, were also increased. The accumulation of hematopoietic progenitors in the spleen was confirmed by the higher number of cells displaying c-kit or CD34 and of more immature progenitors identified by Sca-1 expression on cells lacking both lymphoid and myeloid lineage markers (lin−). B cells, evaluated by CD19 expression, were not modified, in contrast with DN T cells, which had accumulated at this age.
Phenotypic analysis of spleen cells from 6-month-old C57BL/6-lpr/lpr mice (▨), relative to age-matched controls (▧). Freshly isolated cells were stained with appropriate antibodies and analyzed in a FACScan cytofluorometer, using LYSYS II software. One representative experiment is shown, with 3 mice per group.
Phenotypic analysis of spleen cells from 6-month-old C57BL/6-lpr/lpr mice (▨), relative to age-matched controls (▧). Freshly isolated cells were stained with appropriate antibodies and analyzed in a FACScan cytofluorometer, using LYSYS II software. One representative experiment is shown, with 3 mice per group.
Origin of extramedullary hematopoiesis in C57BL/6-lpr/lprmice.
As already stated above for CFU-C, the incidence of CFU-S did not significantly change in the bone marrow of C57BL/6-lpr/lprmice, relative to age-matched controls. However, a slight transient increase in day-8 CFU-S occurred shortly after birth (1,810.3 ± 164.4 CFU-S/femur + tibia in 2-week-old Fas-deficient mice v1,040.0 ± 116.4 in aged-matched controls; means ± SEM from 4 separate experiments; P < .001). More primitive day-12 CFU-S were also not significantly increased above normal in adult bone marrow of Fas-deficient mice, whereas they were in the spleen (6,548.0 ± 187.9 CFU-S/spleen in 2-month-old C57BL/6-lpr/lpr micev 1,900.4 ± 237.4 CFU-S/spleen in age-matched controls; means ± SEM from 3 separate experiments; P < .01). We postulated that hematopoietic changes might nevertheless occur in the bone marrow but remain inconspicuous because of a prompt emigration of these cells into the periphery. In accordance with this hypothesis, we found that CFU-S day 8 were increased in peripheral blood of 3-week-old C57BL/6-lpr/lpr mice, as compared with controls of the same age (14.5 ± 2.7 v 4.1 ± 0.8 CFU-S per 106 white blood cells [WBCs]; expressed as means ± SEM from 3 separate experiments; P < .05).
The notion that extramedullary hematopoietic changes in Fas-deficient mice might originate from the bone marrow is also consistent with the striking accumulation of hematopoietic progenitors at several peripheral sites. Indeed, as shown in Table5, the increase in CFU-C frequencies was also observed in the peritoneal cavity, the liver, and peripheral blood of 6-month-old mice. Furthermore, it already took place in younger mice, concomitantly with changes in spleen (data not shown).
Increased Extramedullary CFU-C Frequencies in C57BL/6-lpr/lpr Mice
| . | CFU-C/106 Cells . | |||
|---|---|---|---|---|
| Spleen . | Liver . | WBC . | Peritoneal Cells . | |
| C57BL/6-lpr/lpr | 428.9 ± 98.3 | 583.2 ± 150.3 | 83.3 ± 7.2 | 92.2 ± 11.9 |
| P < .001 | ||||
| C57BL/6 | 36.9 ± 16.8 | 29.5 ± 9.3 | 14.7 ± 1.4 | 13.5 ± 3.3 |
| . | CFU-C/106 Cells . | |||
|---|---|---|---|---|
| Spleen . | Liver . | WBC . | Peritoneal Cells . | |
| C57BL/6-lpr/lpr | 428.9 ± 98.3 | 583.2 ± 150.3 | 83.3 ± 7.2 | 92.2 ± 11.9 |
| P < .001 | ||||
| C57BL/6 | 36.9 ± 16.8 | 29.5 ± 9.3 | 14.7 ± 1.4 | 13.5 ± 3.3 |
Cell populations were prepared from 6-month-old mice as described in Materials and Methods and assayed for CFU-C in complete MethoCult M3434 medium. Data are means ± SEM from 3 separate experiments.
Hematopoietic changes during fetal hematopoiesis.
The early hematopoietic modifications in Fas-deficient mice prompted us to examine the frequency of progenitor cells in fetal livers. As shown in Table 6, the incidence of CFU-S was already clearly above normal in this organ at day 18 of gestation, as compared with age-matched controls. To exclude a possible contribution of maternal growth factors to the enhanced fetal hematopoiesis, we implanted stage 2-cell embryos homozygous for the lpr gene into wild-type C57BL/6 females. Table 6 shows that the difference between Fas-deficient and normal fetal livers in terms of CFU-S frequencies persisted in these conditions. A similar increase occurred in homozygous lpr/lpr fetuses versus +/+ siblings of the same litter generated in heterozygous C57BL/6-lpr/+ females (Table 6). These observations indicate clearly that the maternal environment is not responsible for the increased CFU-S frequencies in Fas-deficient fetal liver. We did not observe any significant difference between fetal livers from age-matched Fas-deficient and wild-type mice in terms of cellularity (data not shown).
Increased CFU-S (Day 8) Frequencies in C57BL/6-lpr/lpr Fetal Livers (Day 18)
| Genotype of Fetuses . | CFU-S/106 Cells . |
|---|---|
| +/+ in +/+ mothers | 90.8 ± 10.0 (6/3) |
| lpr/lpr inlpr/lpr mothers | 302.0 ± 40.5 (6/3)6-150 |
| lpr/lpr in +/+ mothers | 247.7 ± 16.0 (8/2)6-150 |
| +/+ in lpr/+ mothers | 97.4 ± 10.0 (5/3) |
| lpr/lprin lpr/+ mothers | 258.8 ± 18.3 (5/3)6-150 |
| Genotype of Fetuses . | CFU-S/106 Cells . |
|---|---|
| +/+ in +/+ mothers | 90.8 ± 10.0 (6/3) |
| lpr/lpr inlpr/lpr mothers | 302.0 ± 40.5 (6/3)6-150 |
| lpr/lpr in +/+ mothers | 247.7 ± 16.0 (8/2)6-150 |
| +/+ in lpr/+ mothers | 97.4 ± 10.0 (5/3) |
| lpr/lprin lpr/+ mothers | 258.8 ± 18.3 (5/3)6-150 |
Fetuses were generated as described in Materials and Methods. In parentheses is the number of fetal livers tested/number of litters. Data are means ± SEM from individual fetuses.
P < .001.
Effect of Fas cross-linking on hematopoietic progenitor frequencies.
Previous reports on the expression of Fas on human hematopoietic progenitor cells20,21,27 prompted us to test the expression and functionality of the Fas antigen by cross-linking with anti-Fas MoAb. This 24-hour treatment was performed with or without IFNγ, which has been reported to increase the expression of Fas or facilitate its activation.20,21 27 As shown in Table 7, CFU-C frequencies were drastically diminished after treatment of total spleen cells with anti-Fas MoAb, provided that IFNγ was present during the incubation. In these conditions, Fas was effectively expressed on progenitor-enriched lin− spleen cells (Fig4B), as compared with freshly isolated cells, which exhibited only low background expression (Fig 4A).
Decreased CFU-C Frequencies After Fas Cross-Linking on IFNγ-Induced C57BL/6 Splenocytes
| . | CFU-C/106 Cells . |
|---|---|
| Control IgG | 47.2 ± 7.1 |
| Anti-Fas MoAb | 31.8 ± 2.1 |
| IFNγ | 42.0 ± 4.7 |
| Anti-Fas MoAb + IFNγ | 18.4 ± 2.97-150 |
| . | CFU-C/106 Cells . |
|---|---|
| Control IgG | 47.2 ± 7.1 |
| Anti-Fas MoAb | 31.8 ± 2.1 |
| IFNγ | 42.0 ± 4.7 |
| Anti-Fas MoAb + IFNγ | 18.4 ± 2.97-150 |
Spleen cells (107/mL) were distributed into 24-well culture plates and incubated for 24 hours in the presence of control IgG (5 μg/mL), anti-Fas MoAb (5 μg/mL), mrIFNγ (100 U/mL), or anti-Fas MoAb plus mrIFNγ. CFU-C were then recovered, enumerated, and assayed for colony growth in MethoCult M3434 medium. Data are means ± SEM from 5 separate experiments.
P < .01 between anti-Fas + IFNγ and control IgG.
IFNγ-induced Fas expression on lin−spleen and bone marrow cells. Flow cytometry analysis was performed on at least 20,000 events gated from the population without lineage markers. Splenocytes (A and B) and bone marrow cells (C and D) were stained directly or after 24 hours of incubation with 100 U/mL of mrIFNγ. The broken line represents control PE-conjugated hamster MoAb.
IFNγ-induced Fas expression on lin−spleen and bone marrow cells. Flow cytometry analysis was performed on at least 20,000 events gated from the population without lineage markers. Splenocytes (A and B) and bone marrow cells (C and D) were stained directly or after 24 hours of incubation with 100 U/mL of mrIFNγ. The broken line represents control PE-conjugated hamster MoAb.
Finally, we verified the effect of Fas cross-linking on medullary CFU-S and CFU-C. The results in Table 8demonstrate that CFU-S frequencies were diminished by the ligation of Fas that required the presence of IFNγ to become effective. Interestingly, the same treatment affected bone marrow CFU-C frequencies less than their splenic counterpart (Table 7). Once again, Fas was clearly expressed on medullary lin− cells in these conditions, whereas it was not detected before incubation (Fig 4C and D).
Decreased CFU-C and CFU-S Frequencies After Fas Cross-Linking on IFNγ-Induced C57BL/6 Bone Marrow Cells
| . | CFU-S/106 Cells . | CFU-C/106 Cells . |
|---|---|---|
| Control IgG | 135.4 ± 14.5 | 1,742.3 ± 176.9 |
| Anti-Fas MoAb | 153.0 ± 21.0 | 1,500.0 ± 220.7 |
| IFNγ | 126.0 ± 14.7 | 1,461.0 ± 205.3 |
| Anti-Fas MoAb + IFNγ | 39.0 ± 11.9 | 934.8 ± 164.2 |
| . | CFU-S/106 Cells . | CFU-C/106 Cells . |
|---|---|---|
| Control IgG | 135.4 ± 14.5 | 1,742.3 ± 176.9 |
| Anti-Fas MoAb | 153.0 ± 21.0 | 1,500.0 ± 220.7 |
| IFNγ | 126.0 ± 14.7 | 1,461.0 ± 205.3 |
| Anti-Fas MoAb + IFNγ | 39.0 ± 11.9 | 934.8 ± 164.2 |
Bone marrow cells (2.5 × 106/mL) were distributed into 24-well culture plates and incubated for 24 hours in the presence of control IgG (5 μg/mL), anti-Fas MoAb (5 μg/mL), mrIFNγ (100 U/mL), or anti-Fas MoAb plus mrIFNγ. CFU-S and CFU-C were then assayed as described in Materials and Methods. Data are means ± SEM from 3 and 4 separate experiments for CFU-S and CFU-C, respectively.P < .01 between anti-Fas + IFNγ and control IgG for CFU-S and P < .05 for CFU-C.
DISCUSSION
In the present study, we addressed the question whether, in addition to its acknowledged immunoregulatory functions, the Fas-mediated death pathway could influence early stages of hematopoietic development. For this purpose, we evaluated the effect of Fas or FasL deficiency in mice homozygous for the lpr or the gld gene, respectively, on the incidence of various progenitor subsets.
We found a marked increase in peripheral CFU-C in 6-month-old C57BL/6-lpr/lpr mice. At this age, lymphadenopathy and splenomegaly were well established and DN T lymphocytes had accumulated in spleen and lymph nodes. Taking into account the increase of mononuclear cells, the total number of colony-forming cells was around 30 times higher in mutant than in age-matched wild-type mice. A comparable increase in CFU-C took place in spleens from FasL-deficient C57BL/6 mice, proving the involvement of the Fas/FasL system in these hematopoietic changes.
As expected from the similar increase in all progenitor subsets growing in methylcellulose, the incidence of their common CFU-S precursors was also higher in Fas-deficient than in control mice. This augmentation appeared as early as 3 weeks after birth, when CFU-C were not yet modified.
Because the accumulation of DN T lymphocytes in lymph nodes and spleen is one of the most prominent features of Fas or FasL deficiency, we addressed the question of the role played by this population in the hematopoietic changes described here. DN T cells share several features of activated lymphocytes and could be a source of hematopoietic growth factors. Yet, previous reports have provided no evidence for their capacity to produce IL-3 or granulocyte-macrophage colony-stimulating factor (GM-CSF),28 and in our hands, the transcripts for these cytokines were not increased in Fas-deficient spleen cells relative to controls, as assessed by reverse transcriptase-polymerase chain reaction (RT-PCR) analysis (G. Moreau, personal communication).
Several lines of evidence contributed to rule out the participation of DN T lymphocytes in the increased colony formation from spleen cells lacking a functional Fas receptor. First, the difference between C57BL/6 and C57BL/6-lpr/lpr mice in terms of colony formation remained the same after T- and B-cell depletion of the spleen, proving that these cells do not enhance to cloning efficiency by providing supplementary growth factors. Second, the addition of DN T cells from mice with severe lymphadenopathy (or their supernatants) during the clonogenic assay did not increase the number of colonies formed by normal spleen cells in response to optimal or suboptimal concentrations of growth factors and had no effect by itself. In this context it should also be noted that hematopoietic progenitors from Fas-deficient and control mice displayed the same sensitivity to growth factors.
Further evidence against the participation of DN T cells in the hematopoietic modifications resulting from Fas deficiency was provided by the increased CFU-S in day-18 fetal livers of the lprphenotype. We could exclude the maternal environment as a possible cause of this augmentation, which was observed in all Fas-deficient fetal livers, whether the fetuses were removed from females homozygous or heterozygous for the lpr gene or after development of homozygous lpr/lpr fetuses in C57BL/6 females.
Surprisingly, none of the modifications described so far took place in the bone marrow. It might be argued that medullary progenitors are protected from Fas/FasL interactions. Several mechanisms could account for such an effect, namely the expression of antiapoptotic molecules, such as Bcl-2,29 or the cell cycle status of hematopoietic progenitors.30 It is also possible that stromal cells prevent the activation of the Fas pathway by providing protective cytokines, such as IL-1,17 or by increasing cellular adhesion.31
Yet, in the light of our present data, we favor the hypothesis that bone marrow progenitors are actually increased in Fas- and FasL-deficient mice, but that they promptly emigrate into the periphery, because there are not enough hematopoietic niches to maintain them. Indeed, we observed a transient increase in medullary CFU-S day 8 shortly after birth of Fas-deficient mice, in accordance with the recent report of Traver et al,32 although it was less striking and less persistent. It is noteworthy that these investigators found no significant extramedullary modifications, possibly because the Fas mutation occurred on a different genetic background.
The appearance of hematopoietic progenitors at peripheral sites, such as liver, peritoneal cavity, and peripheral blood, that are not normally involved in hematopoiesis could be interpreted as a consequence of their emigration from the bone marrow. The fact that CFU-S and, to a lesser degree, CFU-C were actually diminished after Fas cross-linking on bone marrow cells incubated in the presence of IFNγ provides another argument against an entirely protective influence of the medullary environment. It is therefore plausible that hematopoietic changes in peripheral organs originate from the bone marrow, although an independent expansion of progenitors from Fas-deficient spleens cannot be excluded. In this context, it should also be noted that increased endotoxin levels in lpr mice are not a likely cause for the shift towards extramedullary hematopoiesis, because colony-stimulating factors that would be induced in these conditions33 could not be detected in sera.
The expression of Fas on hematopoietic progenitors and their decrease after Fas cross-linking suggest that the Fas pathway might have a direct regulatory effect on these cells. It has indeed been reported that human CD34+ cells express Fas after stimulation with IFNγ and/or TNFα or even spontaneously in the case of primitive fetal liver cells.20,21,26 This requirement for IFNγ was also demonstrated in our study, because cross-linking of Fas alone induced no significant decrease in CFU-C or CFU-S. It is in accordance with a recent report showing that, in addition to its upregulatory function on Fas expression,21 IFNγ is also capable of stimulating caspase activity.34
So far, we can only speculate on the identity of the FasL+cells in this particular context. Indeed, until recently, FasL expression seemed to be much more restricted to lymphoid cells than that of Fas antigen.35 Natural killer (NK) cells, present both in bone marrow and spleen, express FasL spontaneously36 and have been implicated in the regulation of CFU-S.37 They disappear in Fas-deficient mice at about the same time, as the lymphadenopathy becomes significant.38 There is also some recent evidence for FasL display on nonlymphoid cells, such as monocytes and neutrophils, which express also Fas, making them capable of regulating their own survival.39,40 Erythroid precursors have been reported to express FasL spontaneously,41 a feature that may also apply to other immature cells. In our hands, FasL expression could be detected in freshly isolated bone marrow cells by RT-PCR analysis (G. Moreau, personal communication).
Bone marrow stroma might contribute to Fas-mediated apoptosis by providing IFNα/β42 that can replace IFN-γ during cross-linking (data not shown). According to a recent report, Fas expression on hematopoietic progenitors can also be increased by hematopoietic growth factors,43 which might eventually be secreted by medullary stroma.
In 6-month-old Fas-deficient mice, myeloid infiltration in the spleen, the liver, and the peritoneal cavity is particularly striking. The proportion of granulocytes is particularly elevated, as assessed both by morphological features and lineage markers. Because neutrophil cell death seems to be directly modulated by Fas/FasL interactions, their increased survival in the absence of functional Fas might explain this preferential expansion.39
Whatever the exact mechanisms accounting for extramedullary myelopoiesis in C57BL/6-lpr/lpr mice, our data provide the first evidence that Fas deficiency affects the development of hematopoietic progenitors before the development of other abnormalities. Further exploration of this experimental model might eventually yield new insights into the regulation of these cells by the Fas pathway and their role in the development of the autoimmune disease.
Supported in part by Grants No. 1827 and 1167, respectively, from the “Association pour la Recherche contre le Cancer” (ARC) and the “Ligue National contre le Cancer.”
The publication costs of this article were defrayed in part by page charge payment. This article must therefore be hereby marked “advertisement” in accordance with 18 U.S.C. section 1734 solely to indicate this fact.
REFERENCES
Author notes
Address reprint requests to Elke Schneider, PhD, CNRS UMR 8603, Hôpital Necker, 161, rue de Sèvres, 75743 Paris, Cedex 15, France; e-mail: schneider@necker.fr.







This feature is available to Subscribers Only
Sign In or Create an Account Close Modal