Abstract
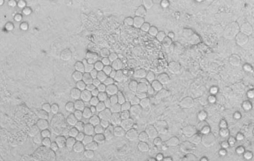
INTRODUCTION: Delayed engraftment remains a serious problem following cord blood (CB) transplantation. It may be due, at least in part, to the limited dose of CB hematopoietic stem and progenitor cells (HSPC) transplanted. Limitations associated with HSPC dose may be reduced by the transplantation of 2 CB units. In an accompanying abstract, de Lima et al. report in detail on an ongoing MDACC randomized study in which patients received double CB units as either 2 unmanipulated units (2×UN), or 1 unmanipulated and 1 ex vivo expanded CB unit (UN+EX). This study has revealed that one CB unit ultimately predominates as the source of long-term, sustained hematopoiesis. We hypothesized that the number of primitive HSPC in the CB unit might ultimately predict which CB unit would ultimately prevail. The in vitro cobblestone area-forming cell (CAFC) assay was used to provide a measure of primitive components of the CB HSPC in each unit. A photomicrograph of a typical cobblestone area (CA) derived from a single CB-derived CAFC is shown. (Figure) CA persisting in in vitro culture for ≥6 weeks (derived from CAFCwk6) represent relatively primitive HSPC and their numbers may provide a qualitative profile for CB units. We hypothesized that of the two CB units transplanted, the one with the greater number of CAFCwk6 would ultimately persist long-term in the patient.
METHODS: Clinical samples of 2×UN or UN+EX CB cells were plated in the in vitro CAFC assay.1 The frequency of CAFCwk6 was estimated and total CAFCwk6 numbers transplanted for each CB unit calculated. CAFCwk6 data for each CB unit and engraftment data from patients were analyzed to determine whether the number of CAFCwk6 transplanted was predictive of which CB unit would ultimately be responsible for long-term, sustained engraftment.
RESULTS: Preliminary data was accrued from 10 patients.(Table) Six patients received 2×UN and 4 patients received UN+EX (EX indicated by #). CAFCwk6 content at transplant was predictive of which CB unit would ultimately be responsible for long-term, sustained engraftment in only 6 of the 10 cases (60%).
CONCLUSION: CAFCwk6 represent a relatively primitive component of the HSPC compartment, however, these data suggest that CAFCwk6 numbers, although possibly a qualitative measure, are not a predictor of long-term sustained engraftment.
Author notes
Disclosure: No relevant conflicts of interest to declare.


